E-posta iezaguzu
Berriak

Construction and maintenance of mini excavators

2025-07-10 0 Utzi mezu bat

Mini hondeatzaileen eraikuntza eta mantentzea


Mini hondeatzaileen eraikuntza berrikuntza eta mantentze adimentsua: proiektu handiak daraman gorputz txikia


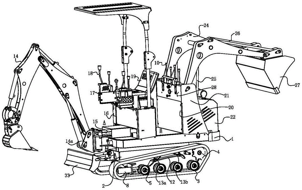
1, Mini hondeatzaileen eraikuntza aztertzea: Lau dimentsiotako teknologia 'espazio magoa' berriro moldatzen

Xasea eta oinez sistema:


Tailless Buelta Diseinua: SANY SY18U bezalako modeloek "zero buztanaren protrusio" egitura bat onartzen dute, 0,86 metroko erradioaren erradioa, 360 ° -ko biraketa doako biraketak tunel estuetan, hormekin talka egin gabe. Aldi berean, gure 0,8ton Mini hondeatzaileek 1.1 m-ko erradio bihur daiteke, espazio estuetan funtzionamendu librea eta malgua ahalbidetuz.


Pista marko erregulagarria: pista-neurgailua askatasunez doitu daiteke (SY16C 980-1350mm hedapen eta uzkurdura onartzen da), 1 metroko altzari estuak gurutzatuz. The rubber track grounding pressure is as low as 25kPa, protecting the paved ground.


Errodamenduzko errodamenduak: Yanmar xasiak iglidur g serieko plastikozko errodamenduak erabiltzen ditu, pilota errodamendu tradizionalen ordez, hau da, anti herdoilak eta mantentze-lanak doakoak dira, zerbitzuaren bizitza hiru aldiz handituz.




Boterea eta sistema hidraulikoa:


Modu bikoitzeko iraultza: Diesel KX019-k, Diesel / Electric Click Swarding onartzen du.


Kontrol hidrauliko adimenduna: karga-sentikorreko teknologiak (Shengang SK35SR-6 bezalako karga-teknologiak, esaterako, fluxuen banaketa zehaztasuna lortzen du ±% 1,8, konposatuaren erantzuna 0,7 segundoko abiadura eta energia kontsumoaren% 22 murriztea.




Lanerako ekipamendua hobetzea:


Higadura erresistentea egitura: excavactor trinkoaren boomaren artikulazio artikulatuak bero tratamendua jasan du (HRC55 HRC55 +), eta ontzia Hardox500 higadura-plakarekin (HB500 gogorarazten da), bere zerbitzuaren bizitza% 30 luzatuz.


Side moving arm patent: Kubota U-15-3s achieves left deviation of 595mm/right deviation of 350mm, and wall mounted excavation does not require moving the body.


Gailu birakaria, 360 ° -ko funtzionamendu osoa, malguak hainbat lan inguruneetara egokitzeko.


Giza ordenagailuaren elkarrekintza berritzea


Errespetatu kabina erresistentearen gainean: ROPS / FOPS-ek ziurtatuta (presio estatikoko 16 tona erresistentea), eserleku flotagarriekin, LCD ukipen-pantailaz hornituta eta AI inguratzen dute jarraipena, itsuak% 40 murriztuz.


2, mantentze eta eguneroko mantentze-lanak:

Eguneroko mantentze-lanaren urrezko araua


Olioen kudeaketa hidraulikoa: Erabili higadura anti-olio hidraulikoa 68 zk. Begiratu aldian-aldian NAS (8. maila) garbitasuna ponpa eta balbula higadura ekiditeko.


Butter filling cycle: Inject grease every 10 days for the rotary bearing, and inject high-pressure grease every 4-8 hours for the hinge point of the working device to avoid the pin shaft getting stuck.




KEY Osagaien bizitza luzatzeko teknika:


Pista sistema: tentsioa doitu solteak (hortzak saltoka) edo estuegi (higadura bizkorrak); Garbitu erregularki legarra, euskarri gurpilaren porrota zigilatzea ekiditeko.


"Higitu burdin triangelua" mantentzea:

Pista zapata ikuskapena pitzadurak / 500h

Gidatu sprocket hortzak lurreko lauak dira eta berehala ordezkatu dute

Gurpila zigilatzeko olioaren ihesak konpondu behar dira

Stowers Cat estatistiken arabera, xasis porrotaren% 80 hiru osagai mota hauek dira.


Muturreko lan baldintzak kudeatzeko jarraibideak:


Altuera handiko funtzionamendua: Mini hondeatzaileen motor turbokatzailea% 15eko potentzia kalte-ordaina du eta sistema hidraulikoa presio-konpentsazio-balbula du, fluxuak galtzea ekiditeko.

Ura Wading operazioa: Italiako uholdeen salbamenduan, HX35AZ modernoak 0,8 metroko sakonera lortu zuen zirkuitu zigilatu baten bidez.


Epe luzerako biltegiratze arauak:


Aparkatu gela lehor batean, lagundu ibilbideak lurreko presioa murrizteko;

Bete erregai depositua kondentsazioa ekiditeko, zilindro hidrauliko guztiak atzera egin zigiluen zahartzea saihesteko;

Hasi 3 hilabetetik behin zirkuituak hezetasuna ekiditeko.


3, muga teknologikoa: Ekologia industrialaren berregituraketa adimenduna

Power Revolution:


Modular battery: Hitachi ZX55U-6EB supports dual drive of commercial power and battery, with 2-hour fast charging to meet 10 hours of operation in 6 hours.


Hidrogeno energia proba: HD Hyundai hidrogeno erregai motorra (HX12) garatu du zero karbono eraikuntza lortzeko.


Mantentze iragarpena:


IoT remote diagnosis: Sany SY35U is equipped with Hi MATE system, which analyzes oil temperature and vibration data in real time, with a fault warning accuracy rate of 92%.


AR Maintenance Assistance: Kaise Micro Excavator provides VR operation training for small excavators, simulating 30 fault scenarios and improving maintenance efficiency by 40%.


4, lekuko praktikoa: antzinako etxe zaharberritzera meatzeari aurre egiteko

Taizhou-ko Ming eta Qing Dynasty-ren egoitza zaharberritzea: Kubota U-15-3s Excavator txikiak lurpeko hodien lubaki baten indusketa amaitu zuen 0,85 metroko arku baten bidez, eta boomaren alboko mugimenduak antzinako horma babestu zuen% 95eko horma tasa berdina izan zuen.


Lurpeko operazioak Txileko kobrezko meategi batean: aldatutako kabina indartsua duen excactatzaile trinkoa 300 orduz funtzionatu zuen etengabe, inolako akatsik gabe, eta ondorioz, kargatzeko kostuak% 23 murriztu dira.


Tokyo Nighttime Udal Eraikuntza: SANY SY19E Mini hondeatzaileen bertsio elektriko hutsa isilik funtzionatzen du 66 dekibeletan, hiriaren "eraikuntza orduko leihoaren" arazoa konpontzen du.


Ondorioa: gorputz txiki batek etorkizun handia darama

0,8 tonako eredu ultra-mehe batetik 4 tonako gerrarengandik, hondeatzaile txikiek zehaztasun eraikuntzaren, energia-iturri dibertsifikatuen eta mantentze adimendunaren bilakaera hirukoitza izaten ari dira, eraikuntza globalaren paradigma berriro moldatzen. Indiako merkatuan 3100 unitate gainditzen dituzten urteko salmentekin eta 2025erako motor elektrikoetarako% 40ko barneratze-tasa% 2025ean, "Txikia irabazteko erabiltzeko" iraultza teknologiko hau bilioi dolarreko merkatuan urrezko aukera bat deskubritzera bideratuta dago.


Industria mantentzeko esperientzia:

Esaera trinkoak lortzeko, zehaztasun diseinua bizkarrezurra da, mantentze adimentsua bizimodua da, eta mantentze-lanak gordetzen dira 1 Yuanek eta 10 Yuanek konponketa gastuak murriztuz.



Lotutako Albisteak
Utzi mezu bat
Posta elektronikoa
market@everglorymachinery.com
Mugikorra
Helbidea
Changjiang West Road, Huangdao Barrutia, Qingdao hiria, Shandong probintzia, Txina
X
Cookieak erabiltzen ditugu nabigazio esperientzia hobea eskaintzeko, guneko trafikoa aztertzeko eta edukia pertsonalizatzeko. Gune hau erabiltzean, gure cookieen erabilera onartzen duzu. Pribatutasun politika
Baztertu Onartu